
Disgrifiad Manwl o'r Cynnyrch
| Mantais: | Cyflymder uchel | Cyflymder Labelu: | 60-200pcs / mun |
|---|---|---|---|
| Swyddogaeth: | Labelu Sticer Ahesive | Deunydd: | Dur Di-staen |
| Math o Botel: | Jar Label Botel Rownd Awtomatig | Cais: | Ar gyfer Pob Math o Gynhwysydd Crwn |
| Brand Plc: | MITSUBISHI (Japan) | Modur Labelu Servo: | DELTA (Taiwan) |
peiriant labelu gwin coch peiriant labelu potel gwin gwydr, system labelu PLC peiriant labelu brand MITSUBISHI
Nodweddion:
1. Gweithrediad: Mae system reoli PLC yn gwneud peiriant labelu yn hawdd i'w weithredu
2. Deunydd: Mae prif gorff y peiriant labelu wedi'i wneud o ddur gwrthstaen SUS304
3. Ffurfweddiad: Mae ein peiriannau labelu yn mabwysiadu rhannau brand adnabyddus o Japan, Almaeneg, America, Corea neu Taiwan
4. Hyblygrwydd: Gall cleient ddewis ychwanegu peiriant argraffu a chod; yn gallu dewis cysylltu â converyer ai peidio.
Paramedrau Technegol:
| Enw | Potel win crwn awtomatig ar gyfer peiriant labelu potel crwn llawes cyflym |
| Cyflymder Labelu | 60-350pcs / mun |
| Uchder y Gwrthrych | 30-350mm |
| Trwch Gwrthrych | 20-120mm |
| Uchder y Label | 5-180mm |
| Hyd y Label | 25-300mm |
| Diamedr Y Tu Mewn i'r Rholer Diamedr | 76mm |
| Diamedr Allanol Rholer Label | 420mm |
| Cywirdeb Labelu | ± 1mm |
| Cyflenwad Pwer | 220V 50 / 60HZ 3.5KW |
| Defnydd Nwy o Argraffydd | 5Kg / m2 (os ychwanegwch beiriant codio) |
| Maint y Peiriant Labelu | 2800 (L) × 1650 (W) × 1500 (H) mm |
| Pwysau Peiriant Labelu | 180kg |
Ffurfweddiad
| Na. | Rhan | brand | maint |
| 1 | PLC | MITSUBISHI (Japan) | 1 |
| 2 | Prif drawsnewidydd | DANFOSS (Denmarc) | 1 |
| 4 | AEM | WEINVIEW (Taiwan) | 1 |
| 5 | Modur labelu servo | DELTA (Taiwan) | 1 |
| 6 | Gyrrwr modur labelu servo | DELTA (Taiwan) | 1 |
| 7 | Modur cludo | HY (Taiwan) | 1 |
| 8 | Blwch gêr modur cludo | HY (Taiwan) | 1 |
| 9 | Rhannu modur potel | GPG (Taiwan) | 1 |
| 10 | Rhannu blwch gêr modur potel | GPG (Taiwan) | 1 |
| 11 | Potel yn gwahanu llywodraethwr cyflymder modur | GPG (Taiwan) | 1 |
| 12 | Modur wedi'i siarad | GPG (Taiwan) | 1 |
| 13 | Blwch gêr modur wedi'i siarad | GPG (Taiwan) | 1 |
| 14 | gwrthrych canfod llygad hud | OMRON (Japan) | 1 |
| 15 | ffibr optegol | OMRON (Japan) | 1 |
Manylion y peiriant:

32 prif ran peiriant labelu

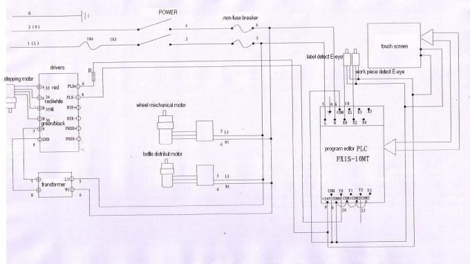
Diagram cylched

Cwestiynau Cyffredin:
Mae 1.label yn cael swigod
Rhesymau:
① nid yw pilio oddi ar y bwrdd yn dda / ddim yn wastad;
② nid yw'r bwrdd aradr yn dda / ddim yn wastad;
Output mae allbwn labelu yn rhy gyflym neu mae cyflymder y llinell ymgynnull yn rhy isel;
④ mae'r label yn cael ei dynnu'n rhy llac
Datrysiadau:
① newid croen gwastad oddi ar y bwrdd;
② newid bwrdd aradr gwastad;
③ arafu cyflymder allbwn labelu neu gynyddu cyflymder y llinell ymgynnull;
④ effeithio ar y gwregys label yn iawn.
Tag: peiriant labelu diwydiannol, peiriant labelu poteli gwydr









